
圖1 接線端子分配圖
輔助接線端子接線說明(請參閱圖 2 ):
1 號端子——RS485 停電抄表外接電源“+6V”端;
2 號端子——RS485 停電抄表外接電源 GND 端;
3 號端子——1 號 RS485 通信 A 端;
4 號端子——1 號 RS485 通信 B 端;
5 號端子——2 號 RS485 通信 A 端(可選); 6 號端子——2 號 RS485 通信 B 端(可選); 7 號端子——Nc;
8、9 號端子——繼電器 1 輸出端;
10、11 號端子——繼電器 2 輸出端;
12 號端子——Nc;
13 號端子——信號公共端(“+”端);
14 號端子——總有功脈沖輸出端;
15 號端子——總無功脈沖輸出端;
16 號端子——需量周期結(jié)束指示;
17 號端子——時鐘測試口(1/10Hz);
18 號端子——Nc;
19 號端子——外部電池接入“-”端;
20號端子——外部電池接入“+”端。

圖2 接線端子分配圖

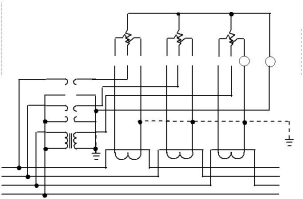
圖 3 三相四線經(jīng)電壓、電流互感器 接入式電能表接線圖

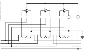
圖 4 三相四線經(jīng)電流互感器 接入式電能表接線圖

圖 5 三相三線經(jīng)電壓、電流互感器 接入式電能表接線圖

圖 6 三相三線經(jīng)電流互感器 接入式電能表接線圖

圖 7 三相四線直接接入式電能表接線圖

